Color:
Will this filter fit my refrigerator? reset search
Our water filter finder will guide you to the right filter for your refrigerator
Need help finding your model number?Frequently Bought Together:
For personalized shopping help, call us at 1-800-430-1757
Complete Your Laundry Pair:
About This Product
Specs & Details
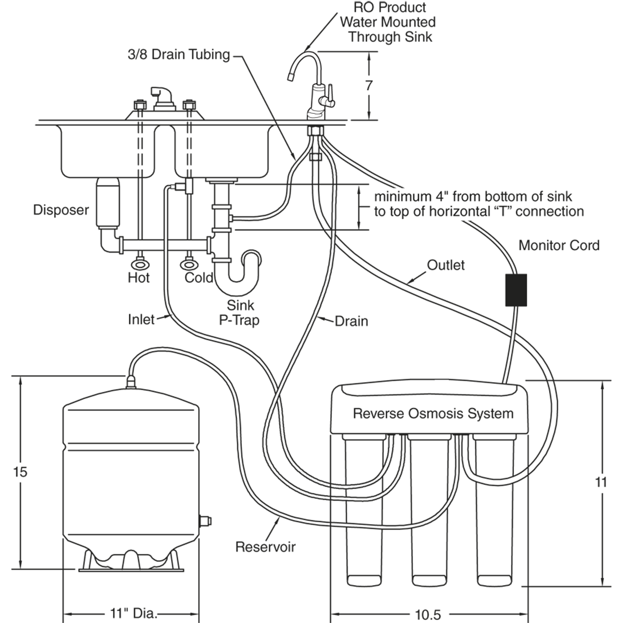
Dimensions: 11 H x 10 1/2 W x 4 D
Ratings & Reviews
Q&A
Owner Support
Owners Manual
Manuals & Downloads
Schedule Service
Our online tools are here 24 hours a day to help you arrange the service you need.
Schedule ServiceDo You Own This Product?
We're happy to help answer your questions.
Maintenance & Care for PNRQ21RBN


WARNING: Cancer and Reproductive Harm